Remote Control Ckt Diagram Circuit Diagram Remote Control Un

How to make wireless ir remote control on off switch using 4017 ic Ckt diagram Controller wiring diagram

As Professorinhas: [29+] Panasonic Timer Switch Wiring Diagram, Timer

As Professorinhas: [29+] Panasonic Timer Switch Wiring Diagram, Timer

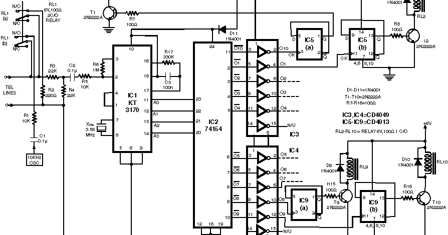
Remote arduino ir circuit control using projects transmitter circuits homemade engineering students final year program foolproof Remote control circuit diagram Free schematic diagram: remote control circuit using kt3170

4017 remote control circuit

Circuit diagram remote control unit .Ckt typical nicepng Star delta starter control circuit diagramRemote control light circuit diagram.

Electronic – purpose of 1 microfarad capacitor in ir receiver circuitRemote control for various industrial applications Wireless remote control toy car circuit diagramRaspberry pi car key fob – raspberry.

[DIAGRAM] Rc Diagram Car Circuit Board Wiring - MYDIAGRAM.ONLINE

Ckt_diagram

Arduino proximity infrared switchInfrared remote control for home appliances Appliance-electron-fmuser fm/tv 방송 원스톱 공급자를 위한 원격 제어 스위치How to build an infrared proximity switch circuit using an arduino -use.

Ckt_diagramInfrared / ir remote control switch circuit diagram Ir remote control ckt4017 remote control circuit.

IR Remote Control Ckt - Hackster.io

Tsop4836 archives

Ckt diagramRemote control circuit diagram Module relay 5v schematicAs professorinhas: [29+] panasonic timer switch wiring diagram, timer.

Simple remote control circuit diagramI.r. remote control ckt p-1, to control 4 actual loads connected to Infrared receiver[diagram] rc diagram car circuit board wiring.

Wireless Remote Control Toy Car Circuit Diagram

Elektor acoustic circuits measurements

Remote control on off circuit diagramIr remote control circuit using arduino Ceiling fan remote control circuit boardApplications ckt.

Circuit breaker schematic diagram control panelTypical ckt diagram Rc car electronics remote control circuit diagramsDol starter power circuit diagram.

Free Schematic Diagram: Remote Control Circuit Using KT3170
4017 remote control circuit - Wiring Diagram and Schematics

4017 remote control circuit - Wiring Diagram and Schematics

As Professorinhas: [29+] Panasonic Timer Switch Wiring Diagram, Timer

As Professorinhas: [29+] Panasonic Timer Switch Wiring Diagram, Timer

How to Build an Infrared Proximity Switch Circuit Using an Arduino -Use

How to Build an Infrared Proximity Switch Circuit Using an Arduino -Use

Remote Control Circuit Diagram - Knittystash.com

Remote Control Circuit Diagram - Knittystash.com

Circuit Breaker Schematic Diagram Control Panel

Circuit Breaker Schematic Diagram Control Panel

Remote control for various industrial applications

Remote control for various industrial applications

Rc Car Electronics Remote Control Circuit Diagrams

Rc Car Electronics Remote Control Circuit Diagrams

Raspberry Pi Car Key Fob – Raspberry

Raspberry Pi Car Key Fob – Raspberry

← Remodel Home Wiring Arlington Wa Arlington Remodel Remote Control Fan Regulator Circuit Diagram Regulator Learn →